Main Menu

QRP EME

Started by 9a4qv, 20. May. 2007, 23:25:31

Previous topic - Next topic

0 Members and 1 Guest are viewing this topic.

9A9Y

Čuuuuuo Martina. Poslije okačim sliku ekrana, sad još petljam po programu. Ipak sa ovom karticom ide.
Staviću ovdje ekran poslije pa mi kažite jel sve o.k.
Shiranu ga hotoke

9A9Y

Sad sve radi o.k. Lijepo primio Martina, on je mene vidio ali kod mene je vrijeme krivo podešeno. Primio sam njegov pozivni i lokator i kao i moj da me poziva. Vidim da se ne može primati ako je vrijeme krivo podešeno. Budem se još pozabavio sa postavkama, prije bilo kakvog odašiljanja.
Ova zvučna kartica na ploči radi inače u redu ali izgleda sa programom neće surađivati. Sad radi dodatna perfektno. I vidim da mi je sa ovom novom manji šum a na stanici jednako podešeno sve.
Hvala Martinu i ostalima na pomoći.
Još par pitanja:
PTT imam odvojeno sa računalom pomoću optocouplera. Jel ovo inače u redu da mi MIC i AUDIO budu ovako direktno povezani ili to dvoje isto nekako zaštititi?

Shiranu ga hotoke

9A3GE

Tako je.....sistem ti funkcionora u redu...samo još D4 ..TREBA...ponavljam šemu interface za digitalije...sve vrste rada....PTT preko optok. a zvukovi RAZDVOJENI .....PC-TRX.......TO JE JAKO VAŽNO.......za sigrnost UREĐAJA.....hebeš PC....a od njega počne nevolja.....pojavilo se na COM portu par stotina volti..sve crno..izgorilo...oba....a preko njega je onaj CAT kabel za kontrolu TRX...(ham radio de luxe) i to prošajvalo u TRX....popalilo sve do procesora..i procesor u FT 857....NEVOLJA TEŠKA...ALI TO JE DRUGA PRIČA....tko se time bavi ..ovo je prava interfaca...za razdvojne transformatore se mogu koristiti oni sa starih modema  što se ture u u PC. Ta to smo valjda napustili..? Mile ....sve ok....samo naprijed....! M.
Martin 9A3GE

9A9T

RX6AS opet bio ubitačan malo prije....vidite sliku.
On -6 a ja kod njega -10 dB.. ;)
9A9T - Tom
------------------
I onda kak neš pil, al
najte kaj zameriti !

9a4qv

"I do not think that the wireless waves I have discovered will have any practical application."
Heinrich Rudolf Hertz

9A3GE

Apsolutno ..yes...! Tom...ala dobro svira...nisam se sjetio sinoć probati sa 10 W. sa njim....? Ljudi probali sa 5 W. pa je išlo..? Sinoć malo gledo šta ima....sve standardno..a i velike smetnje su mu u to doba..pa dvije sleep pils ..i otišao ninanana....hrk...? Ustao u pola noći ...te popalio mašinerije....nema smetnji sve tiho..propagacija dobra...ganjali smo Abdulaha A61Q....ali bez uspješno....pola Amerike ga je zvalo..po sat vremena...pa nikako ga dozvat..? On tu i tamo primi nekog...sve skupa ništa..nitko ga nije uradio....? A njegov signal solidan....ba.....! Faradej....? Vrtnja i polarizacija ova - ona stalno....? Uglavnom tu nešto nije u redu...nemože ga ni Miloš ..S52LM uraditi...? Par sati simo -tamo sa time i na koncu ništa ? Dok sa USA stanicama veze u redu sve radi kako treba..! Tako...bilo vedro...A SADA SE OPET NAOBLAČILO...NIKAKO NA ZELENU GRANU SA TIM VREMENOM....stalno kiša...za popihdit...uglavnom...! Gos. MARCHEGLLA....je od dva uništena izgorena roratora ...onaj HAM 4 ili 3   ona golema u teška sprava ...složio jedan....a drugi će se dati premotati..ručno...? Imam loše iskustvo sa tim rotatorom...dobio ga kao novog..i malo radi malo na...? Pa to otvoriti.....kada su se rasule one kuglice..bilo ih je na cesti....imam jaki magnet ..ono od radara....pa se nekako to skupilo...i dosta muke ili spretnosti treba za to ponovo složit..i na kraju opet na valja...? schit...! A imam jedan KR-400...30 godina je vani ..i na njega je 5 el. za 50 Mhz....one grablje od log periodika...(50-1300 Mhz) ..1300 Mhz 20 el. Lup...te na vrhu GP 144-432 1300 Mhz...i dan danas vrti...sada sam ga malo zavrtio...i vrti bolan ko novi....! Svašta....čini mi se da je to nekad bilo kvalitetnije..kao i uostalom i sve druge stvari..? Bene...! M.
Martin 9A3GE

9A3GE

DOBRO...KAKO MNOGO LJUDI POGLEDALO ŠEMU INTERFEJSA ZA DIGITALIJE PRILAŽEM SLKU KAKO TO IZGLEDA U MENE...! Kutijica je from Chipoteka...a i ostali materijal.....za sve FT uređaje a i ostale ima ODOSTRAGA višepolna mala priključnica   ... ženska...u u nju se spoji interfejs.....tako da netreba MIC-ZV....uređaj normalno radi a kad se pređe na digi-mod sve ostane isto...ovaj interfejs radi na FT 817 ...857...897 te IC 703...a vjerovatno i ostali moderni uređaji imaju taj priključak ...ODOSTRAGA.....POGLEDAJTE.....dok za starije generacije izvede se ZV utičnica te MIC utičnica ..gje se spoji i PTT....semplice...SAMO TREBA SA NF..( JAČINA ZVUKA)... POTENCIOMETRO NA UREĐAJU...podesiti nivo ulaznog signala..(kako na kome) ...nezgodno je kod toga što se ništa ne ČUJE...(ŠUM) nego se VIDI...na vodopadu dotičnog programa koji se korist za digitalne vrste rad....to je sve isto...glavna je zvučna kartica u PC koja sve obavlja..i nije važna kvaliteta Zv. Ka.    ? Sve postojeće rade u redu....! Teknika Narodu....! Beee...! M.
Martin 9A3GE

9a5cw

Evo special 6m EME digi interface + ponekad Voice keyer ;) Sad znate sasto dobro primam wsjt na 6m ;)

73

9A3GE

Hola.....! Dok se tu razglaba o linearima stranjske proizvodnje i načinima kako to nabavit...? ( ta čovjek dolazi u nas i okolo sa punim kombijem lineara (po naruđbi naravno) i dopelja vam ga doma...Magjar naravno) Ih...dok se dogovorite proda sve...? Održana  EME veza  sa Ivanom RA6AX...( najača stanica na svijetu na 144 Mhz ) .....ALI ...sa moje strane SAMO 10 W.   DESET WATI....po Watmetru....! Aspiranti EME-jaši ...može se to i sa običnom opremom....jeli...? Smetnje velikE... ali RA6AX ...dolazi sa jakim signalom koji se lijepo čuje na zvučnik....! Ok ..za danas dosta....ninanana do daljnjeg....? M.
Martin 9A3GE

9A9T

Martineeee,

bacio si rukavicu... :D
probat ću te nadmašiti sa malim signalom... :P

Mora biti pravi qrp, znači 5W... ;)  ;)  ;)
9A9T - Tom
------------------
I onda kak neš pil, al
najte kaj zameriti !

9a5cw

Martin nekako mi se cini -16 na prijemu jako lose za tako veliku stanicu na drugoj strani... hmmm... mora se to bolje cuti degradacija je bila -2 jucer.... ja sam slusao 4m EME ;)

4 antene i 10w sa wsjt to bi trebalo ici... off moon...
Ajde da vidimo 5W EME...
73

9A3GE

EEEEEEEEEEEEEEEEEEEEEAAAAAAAAAAAAAAAAAAA...! Buongiorno....prespavao.....sve....gore nego Gos. Aličajič....koji oko 10-11 sati se pojavi ? Tom....nisam moga stavit 5 W. ...da bude pravi Qrp.....van mi ide iz transvertera oko 2 W. pa drajvam drugo pojačalo i to ide 9 W. van..da budem precizan...jedna DL stanica ga uradila sa 5 W.   ali je imao bolje antene...! Treba probati ...naravno...! Patrik....tako se vidjelo momentalno -16.....nije svaki tir jednak...kada su smetnje S-7 DOBRO SE i VIDI...ostale slabije stanice se Ne VIDE....PREVELIK JE ŠUM ..da bi se izvukao signal....? Naturlich....kada se sistem pomakne i Elevacija podigne ...onda je druga stvar...dokle moram o tome palamuditi...? Pošto dobijam dosta upita oko  interfejsa...(problem je odvojnim transformatorima...nema ih baš u nas....ako tko zna neka obavjesti  ) pa prilažem dvije šeme bez trafo-a...to je isto isprobano i normalno radi.....sa time da sam u onoj verziji ..ft 817 ...koristio adapter ...USB-COM...nema opasnosti da probije što.....? Ponavljam....meni nije to probilo...nego onaj CAT kabel...za H.R. de luxe koji je bio spojen...COM 1 - TRX...pa je se na COM-u pojavio neki visoki napon..(obadva su izgorjela..crna ko karbun )....te interface u kablu isto.....a najgore je što je taj visoki napon "ušao" u TRX...TE SPALIO procesor u TRX-u    (FT 857) ....Nabavljen novi procesor u YAESU  EUROPE...u Holandiji....( spori su i nisu baš poslovni ) ...( YAESU USA Kalifornija su pravi...i brzi...plati i oma dođe doma )...teško je ručno ulotati taj procesor na ploču transivera bez odgovarajuće sprave za lotanje..a na koncu se je ispostavilo da taj procesor ne odgovara....ima ih oko 10 različitih tipova...Poslje je 9A5TD Damir...od dva spaljena FT 857 ..SLOŽIO JEDAN ISPRAVNI...! Nevolje ne fale oko toga...dapače...? Ako se šta desi kod ovih novih uređaja..popali se rikne ...dosta teško je to srediti...(za nas stare ćorave i gluhe ) ...a mlađarije je tu doma..pa srede to  ! Evo Sunce na Kvarneru....! Bene...andim avanti..šempre ! M.
Martin 9A3GE

9a2ga

Transformator za izolaciju možete pronaći na svakom starom modemu (ima bar jedan komad na njemu).

Proporučam ugradnju obavezno ako koristite COM port na računalu za spoj na RTX.

Osobno iskustvo:
Grom udario u telefonski stup na cesti, preko telefonskog kabela prenapon ušao do ADSL rutera i pokurio njega i sve što je bilo na UTP mreži dok je na kompjuterima koji su bili na istoj UTP mreži pokurio kontrolere za ETH, COM i LPT te sve što je bilo na njima (jedan satelitski prijemnik komplet i  kenwood RTX TM-D700 - na sreću samo RS232 ulaz).

Tada sam pod hitno ugradio prenaponsku zaštitu i na tel. liniji, na svim COM portovima prema uređajima.

Naravno tek kad se opečeš pušeš i na hladno.  ;)

Istrijani - trafiće imate u RADIO KALIKA u Trstu.

73 de Boris 9A2GA
www.hamradio.hr/9a2ga
Member of HRS, RK 9A1ADE, RK 9A1WFF, ARRL, AMSAT NA, AMSAT UK

9A9T

Tako je Martine, -16 je bilo jer ti je i "normalni" šum bio visok...da je bio normalan...Rus bi ti došao kakvih -6 kao onomad meni. Da si radio uz normalni šum a primao ga sa -16, on tebe sigurno nebi primio ni malo sa 10w...recimo da je tako negdje.

A kaj se tiče spajanja SB i TRX, ja sam napravio međuspoj po S56AL, dva komada i rade kak i treba (jedan doma drugi na ranču), sa Kenwoodima i sa Icomima a sigurno i sa drugim firmama samo se treba prilagoditi ulazima svakog pojedinog modela TRX-a...konektorima otraga...ma sve znate, kužite o čem govorim... ;D

Može jednostavnije ali to ne znači da je i bolje, raditi će ali kako dugo...  ::) do prvog jačeg prenapona i sl...da ne ponavljam već rečeno više puta.

Slažem se da su malo problem trafići 1:1 ali kako je već više puta spomenuto, stari modemi i izlotavanje koje je malo triki te treba paziti da ih se ne uništi... ???

I još napomena, radim WSJT, PSK, RTTY, FSK, SSTV, CW...jel ima još kaj??? Uglavnom ide sve pa i fone preko toga... :)

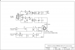
Da ne tražite po netu, evo sheme i pločice:
9A9T - Tom
------------------
I onda kak neš pil, al
najte kaj zameriti !

9a2ga

Zarazili ste ma pa da i ja probam.

A što sam to primio?  Vidi prilog ...


Ak dobro kužim to je bio direkt jer je DT 0.1 ?

Kad malo pohvatam konce prelazim i na TX.

73 de Boris
Member of HRS, RK 9A1ADE, RK 9A1WFF, ARRL, AMSAT NA, AMSAT UK